| Availability: | |
|---|---|
| Quantity: | |
RT8-A2/B2
WINSTON
General
■Applications
-Suitable for applications where function and time requirements are know.
-Time switch , possible to be used for pump decay time after switching heating off , switching of fans.
■Function Features
-Single-function relay with possibility of time setting by a potentiometer.
-Choice of 2 functions: A:Delay ON B:Delay OFF
-Time scale 0.1 s
- 10 days divided into 10 ranges..
- Relay status is indicated by LED.
- 1-MODULE,DIN rail mounting.
■Model and connotation
Technical parameters
| Technical parameters | RT8-A1/B1 | RT8-A1/B1 |
| Function | delay ON | delay OFF |
| Supply terminals | A1-A2 | |
| Voltage range | AC/DC 12-240V(50-60Hz) | |
| Burden | AC 0.7-3VA/DC 0.5-1.7W | |
| Voltage range | AC 230V(50-60Hz) | |
| Power input | AC max.12VA/1.3W | AC max.12VA/1.9W |
| Supply voltage tolerance | -15%;+10% | |
| Supply indication | green LED | |
| Time ranges | 0.1s-10days,ON,OFF | |
| Time setting | potentionmeter | |
| Time deviation | 5%-mechanical setting | |
| Repeat accuracy | 0.2%-set value stability | |
| Temperature coecient | 0.05%/℃,at=20℃(0.05%℉,at=68℉) | |
| Output | 1×SPDT | 2×SPDT |
| Current rating | 16A/AC1 | |
| Switching voltage | 250VAC/24VDC | |
| Min.breaking capacity DC | 500mW | |
| Output indication | red LED | |
| Mechanical life | 1×107 | |
| Electrical life(AC1) | 1×106 | |
| Reset time | max.200ms | |
| Operating temperature | -20℃ to +55℃(-4℉ to 131℉) | |
| Storage temperature | -35℃ to +75℃(-22℉ to 158℉) | |
| Mounting/DIN rail | Din rail EN/IEC 60715 | |
| Protection degree | IP40 for front panel/IP20 terminals | |
| Operating position | any | |
| Overvoltage cathegory | Ⅲ. | |
| Pollution degree | 2 | |
| Max.cable size(mm²) | solid wire max.1×2.5or 2×1.5/with sleeve max.1×2.5(AWG 12) | |
| Dimensions | 90×18×64mm | |
| Weight | 1×SPDT:W240-60g,A230-59g | |
| 2×SPDT:W240-81g,A230-79g | ||
| Standards | IEC/EN 61812-1,IEC/EN61010-1 | |
Functions Diagram
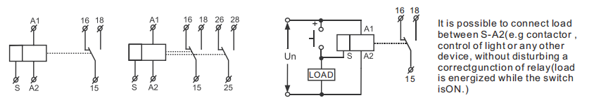
Wiring Diagram
Dimensions(mm)
General
■Applications
-Suitable for applications where function and time requirements are know.
-Time switch , possible to be used for pump decay time after switching heating off , switching of fans.
■Function Features
-Single-function relay with possibility of time setting by a potentiometer.
-Choice of 2 functions: A:Delay ON B:Delay OFF
-Time scale 0.1 s
- 10 days divided into 10 ranges..
- Relay status is indicated by LED.
- 1-MODULE,DIN rail mounting.
■Model and connotation
Technical parameters
| Technical parameters | RT8-A1/B1 | RT8-A1/B1 |
| Function | delay ON | delay OFF |
| Supply terminals | A1-A2 | |
| Voltage range | AC/DC 12-240V(50-60Hz) | |
| Burden | AC 0.7-3VA/DC 0.5-1.7W | |
| Voltage range | AC 230V(50-60Hz) | |
| Power input | AC max.12VA/1.3W | AC max.12VA/1.9W |
| Supply voltage tolerance | -15%;+10% | |
| Supply indication | green LED | |
| Time ranges | 0.1s-10days,ON,OFF | |
| Time setting | potentionmeter | |
| Time deviation | 5%-mechanical setting | |
| Repeat accuracy | 0.2%-set value stability | |
| Temperature coecient | 0.05%/℃,at=20℃(0.05%℉,at=68℉) | |
| Output | 1×SPDT | 2×SPDT |
| Current rating | 16A/AC1 | |
| Switching voltage | 250VAC/24VDC | |
| Min.breaking capacity DC | 500mW | |
| Output indication | red LED | |
| Mechanical life | 1×107 | |
| Electrical life(AC1) | 1×106 | |
| Reset time | max.200ms | |
| Operating temperature | -20℃ to +55℃(-4℉ to 131℉) | |
| Storage temperature | -35℃ to +75℃(-22℉ to 158℉) | |
| Mounting/DIN rail | Din rail EN/IEC 60715 | |
| Protection degree | IP40 for front panel/IP20 terminals | |
| Operating position | any | |
| Overvoltage cathegory | Ⅲ. | |
| Pollution degree | 2 | |
| Max.cable size(mm²) | solid wire max.1×2.5or 2×1.5/with sleeve max.1×2.5(AWG 12) | |
| Dimensions | 90×18×64mm | |
| Weight | 1×SPDT:W240-60g,A230-59g | |
| 2×SPDT:W240-81g,A230-79g | ||
| Standards | IEC/EN 61812-1,IEC/EN61010-1 | |
Functions Diagram
Wiring Diagram
Dimensions(mm)