| Availability: | |
|---|---|
| Quantity: | |
UDC-18GM-400-3E3
Winston
Feature
Ultrasonic system for reliable detection of no, one, or two overlapping sheet materials, preferably papers
No TEACH-IN required
Function indicators visible from all directions
Insensitive to printing, colors, and shining surfaces
Material weight from 10 g/m 2 up to over 2000 g/m 2
Very wide material spectrum, finest papers up to thin sheet metals as well as plastic- and metal foils
Perpendicular or inclined sensor mounting relative to the sheet plane possible
Programmable
Description of sensor functions
The ultrasonic double sheet monitor is used for double sheet detection in all situations in which the automatic distinction between double and single sheets is required in order to protect machines or avoid waste production. The double-sheet monitor is based on the ultrasonic through-beam principle. The following can be detected:
- No sheet, i.e. air,
- Individual sheet
- Double sheet
A microprocessor system evaluates the signals. The appropriate switch outputs are set as a result of the evaluation. Changes in ambient conditions such as temperature and humidity are compensated for automatically. The interface electronics is integrated into a compact M18 metal housing together with a sensor head.
Switching on
The sensor is equipped with 6 connections. The functionality of the connections is described in the following table. The function input
(PK) is used to assign parameters to the sensor. (See Output pulse extension, Alignment aid and Program selection). During normal
operation, the function input must always be securely connected with +U B or -U B , to avoid possible interference or improper functionality.
| Colour | Switching on | Comments |
| BN | +U B | |
| WH | Switch output for single sheets | Pulse width corresponds to the event |
| BK | Switch output for double sheets | Pulse width corresponds to the event |
| GY | Switch output for air | Pulse width corresponds to the event |
| PK | -U B /+U B | Function input for parameter assignment/ pulse prolongation |
| BU | -UB |
Normal mode
The sensor is working in normal mode if the function input (PK) is applied to -U B or +U B when the power source (Power-On) is supplied,
as shown in the output pulse extension table (see below).
Displays:
LED yellow: Detection of air
LED green: Detection of single sheets
LED red: Detection of double sheets
Switch outputs:
The switch outputs are only active in normal operation!
White: WH Single sheet output
Black: BK Double sheet output
Gray: GY Air output
Procedure for assigning parameters
It is possible to switch to additional parameter assignment modes from the display mode:
Alignment mode -->
Program selection mode -->
Alignment aid mode --> (for checking)
When the function input (PK) is applied to -U B (for > 500 ms), the mode changes. When the "Program selection“ mode is active, swit-
ching on function input (PK) on to +U B (for > 500 ms) selects the next program level.
Disconnecting the power supply causes the system to exit the current mode with the selected program change.
The switch outputs are not active while parameters are being assigned to the sensor!
Modes
Amplitude control
During installation, the amplitude control can be used to check whether the ultrasonic amplitude at the receiver is sufficient. If the transmitter is not aligned properly in relation to the receiver, maximum sound energy is not transmitted to the receiver, which may result in the incorrect detection of materials.
When the sensor detects an area of air (yellow LED lights up), the UDC begins to display the strength of the measured amplitude signal:
- if the signal is weak, the yellow LED flashes at low frequency
- the flashing frequency increases in line with the signal strength
- the yellow LED lights up continuously when the signal strength is sufficient.
The single sheet function (green LED) and double sheet function (red LED) are now active. This can be used to check the correct
function of the sensor.
Program selection
In the program selection mode, the current program is displayed by the green LED (number of flashing pulses = program number).
Applying the adjustment input (PK) to +U B (for > 500 ms) causes the next program to be selected in cyclic sequence (program 1 follows through to program 4).
Feature
Ultrasonic system for reliable detection of no, one, or two overlapping sheet materials, preferably papers
No TEACH-IN required
Function indicators visible from all directions
Insensitive to printing, colors, and shining surfaces
Material weight from 10 g/m 2 up to over 2000 g/m 2
Very wide material spectrum, finest papers up to thin sheet metals as well as plastic- and metal foils
Perpendicular or inclined sensor mounting relative to the sheet plane possible
Programmable
Description of sensor functions
The ultrasonic double sheet monitor is used for double sheet detection in all situations in which the automatic distinction between double and single sheets is required in order to protect machines or avoid waste production. The double-sheet monitor is based on the ultrasonic through-beam principle. The following can be detected:
- No sheet, i.e. air,
- Individual sheet
- Double sheet
A microprocessor system evaluates the signals. The appropriate switch outputs are set as a result of the evaluation. Changes in ambient conditions such as temperature and humidity are compensated for automatically. The interface electronics is integrated into a compact M18 metal housing together with a sensor head.
Switching on
The sensor is equipped with 6 connections. The functionality of the connections is described in the following table. The function input
(PK) is used to assign parameters to the sensor. (See Output pulse extension, Alignment aid and Program selection). During normal
operation, the function input must always be securely connected with +U B or -U B , to avoid possible interference or improper functionality.
| Colour | Switching on | Comments |
| BN | +U B | |
| WH | Switch output for single sheets | Pulse width corresponds to the event |
| BK | Switch output for double sheets | Pulse width corresponds to the event |
| GY | Switch output for air | Pulse width corresponds to the event |
| PK | -U B /+U B | Function input for parameter assignment/ pulse prolongation |
| BU | -UB |
Normal mode
The sensor is working in normal mode if the function input (PK) is applied to -U B or +U B when the power source (Power-On) is supplied,
as shown in the output pulse extension table (see below).
Displays:
LED yellow: Detection of air
LED green: Detection of single sheets
LED red: Detection of double sheets
Switch outputs:
The switch outputs are only active in normal operation!
White: WH Single sheet output
Black: BK Double sheet output
Gray: GY Air output
Procedure for assigning parameters
It is possible to switch to additional parameter assignment modes from the display mode:
Alignment mode -->
Program selection mode -->
Alignment aid mode --> (for checking)
When the function input (PK) is applied to -U B (for > 500 ms), the mode changes. When the "Program selection“ mode is active, swit-
ching on function input (PK) on to +U B (for > 500 ms) selects the next program level.
Disconnecting the power supply causes the system to exit the current mode with the selected program change.
The switch outputs are not active while parameters are being assigned to the sensor!
Modes
Amplitude control
During installation, the amplitude control can be used to check whether the ultrasonic amplitude at the receiver is sufficient. If the transmitter is not aligned properly in relation to the receiver, maximum sound energy is not transmitted to the receiver, which may result in the incorrect detection of materials.
When the sensor detects an area of air (yellow LED lights up), the UDC begins to display the strength of the measured amplitude signal:
- if the signal is weak, the yellow LED flashes at low frequency
- the flashing frequency increases in line with the signal strength
- the yellow LED lights up continuously when the signal strength is sufficient.
The single sheet function (green LED) and double sheet function (red LED) are now active. This can be used to check the correct
function of the sensor.
Program selection
In the program selection mode, the current program is displayed by the green LED (number of flashing pulses = program number).
Applying the adjustment input (PK) to +U B (for > 500 ms) causes the next program to be selected in cyclic sequence (program 1 follows through to program 4).
Diagrams
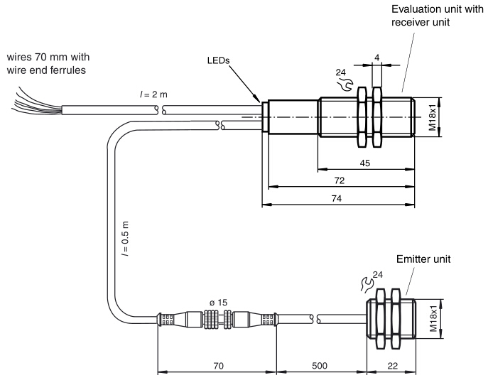
Dimension
Additional information
Connection
Diagrams
Dimension
Additional information
Connection