MSQ-85
Winston
Feature
Two installation methods: Panel / Busbar.
Tansparent terminal cover.
Rated current up to 6000A.
Specifications
| Rated frequency | 50Hz/60Hz |
| Rated test voltage | 3kv AC (1min) |
| Rated short-time thermal current (lth) | 60in |
| Rated dynamic current (ldyn) | 2.5lth |
| Rated voltage (Um) | 0.72kv AC |
| Continuous overload (ld) | 1.2In |
| Operating temperature | -10°C~50°C |
| Housing self-extinguishing class | VO |
| Safety factor | FS 5 |
| Secondary current | 5A/1A |
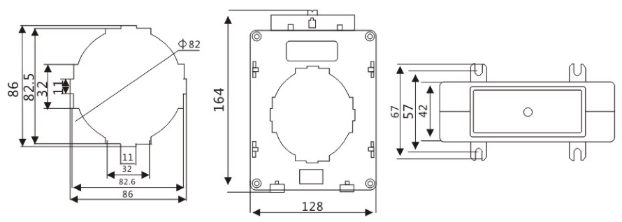
MSQ Series Model and Dimensions
| Type | Ration (A) | Rated power (VA) | |
| Class: 0.5 | Class: 1.0 | ||
| MSQ-85 | 750/5 | 5 | 10 |
| MSQ-85 | 800/5 | 7.5 | 10 |
| MSQ-85 | 1000/5 | 10 | 01 |
| MSQ-85 | 1200/5 | 10 | 15 |
| MSQ-85 | 1500/5 | 15 | 15 |
| MSQ-85 | 1600/5 | 15 | 15 |
| MSQ-85 | 2000/5 | 15 | 15 |
Product Detail
Feature
Two installation methods: Panel / Busbar.
Tansparent terminal cover.
Rated current up to 6000A.
Specifications
| Rated frequency | 50Hz/60Hz |
| Rated test voltage | 3kv AC (1min) |
| Rated short-time thermal current (lth) | 60in |
| Rated dynamic current (ldyn) | 2.5lth |
| Rated voltage (Um) | 0.72kv AC |
| Continuous overload (ld) | 1.2In |
| Operating temperature | -10°C~50°C |
| Housing self-extinguishing class | VO |
| Safety factor | FS 5 |
| Secondary current | 5A/1A |
MSQ Series Model and Dimensions
| Type | Ration (A) | Rated power (VA) | |
| Class: 0.5 | Class: 1.0 | ||
| MSQ-85 | 750/5 | 5 | 10 |
| MSQ-85 | 800/5 | 7.5 | 10 |
| MSQ-85 | 1000/5 | 10 | 01 |
| MSQ-85 | 1200/5 | 10 | 15 |
| MSQ-85 | 1500/5 | 15 | 15 |
| MSQ-85 | 1600/5 | 15 | 15 |
| MSQ-85 | 2000/5 | 15 | 15 |
Product Detail