CKJ5/AC contactor/AC vacuum contactor
CKJ5-125type alternating vacuum contactor applies to 50 alternating HZs, 1140 specified voltage V.s 125 specified current As Kui electrical network Luo, let remote put through with switching circuit, as well as start and stop AC motor frequently , suit suit with various installations, assemble separate Bao type electromagnetism starter ware.
| Technical parameter |
| Model CKJ5-125() |
| Series :3 |
| Specified voltage 1140(V) |
| Specified current 125(A) |
| Control voltage 36-110-127-220-380(V) |
| Main loop is put through ability 12500A 100Frequency |
| Main loop divides into broken ability 1000A 25Frequency |
| Limit divides to break 2500A 3Frequency |
| Electrical life AC4.6(ten thousands) |
| Mechanical life 300(ten thousands) |
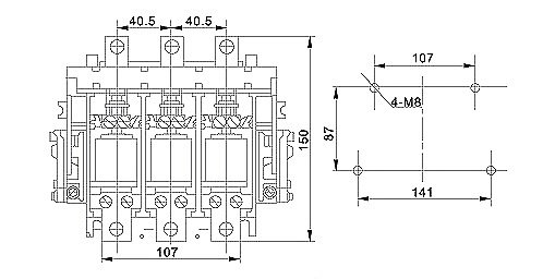
| Over all dimension and installation size |


